CALDsoft2020
Version SaaS WEB via portal calculo.info
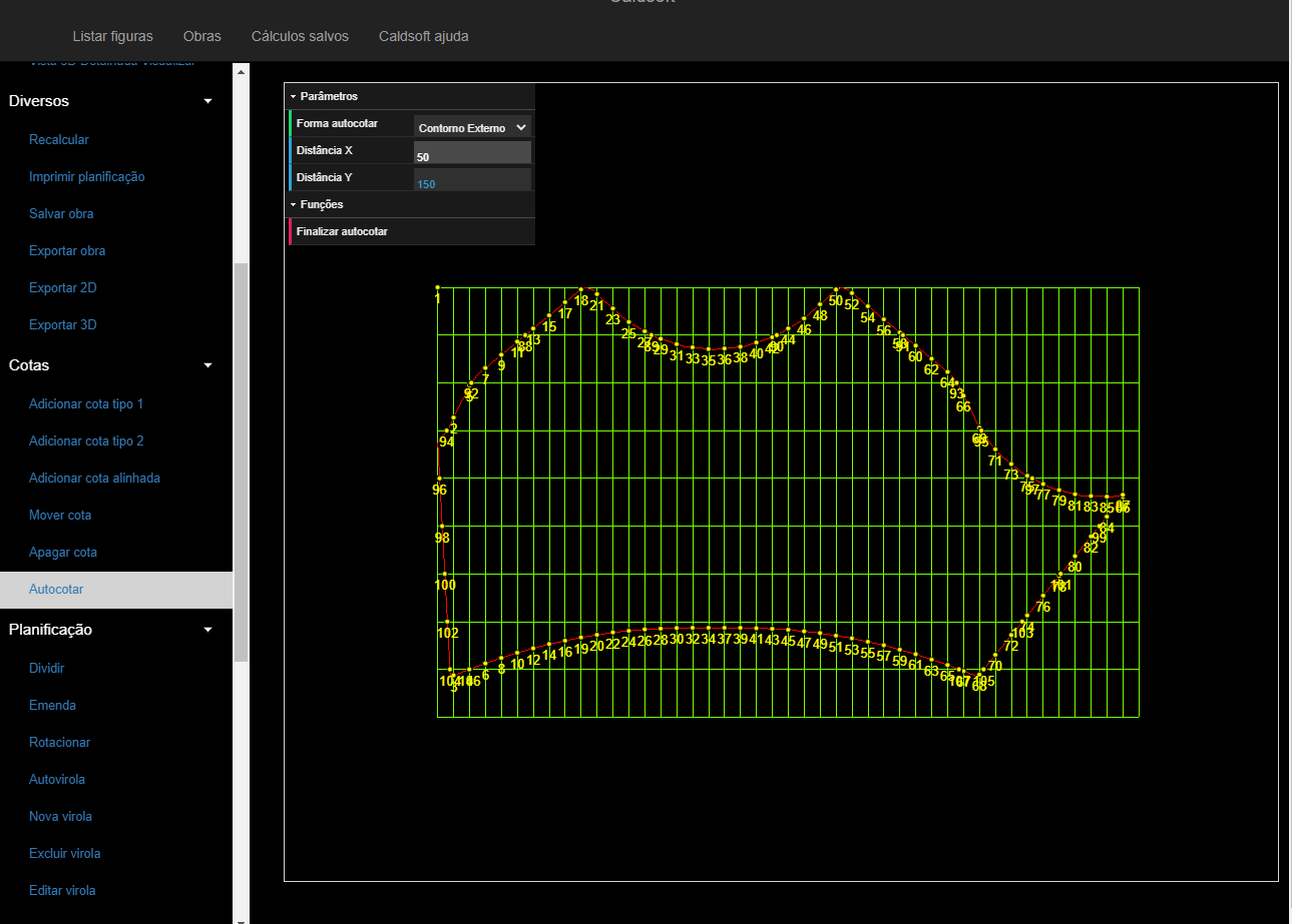
Cotas inteligentes
Las planificaciónes ya tienen dimensiones para facilitar la fabricación, pero las dimensiones se pueden mover y eliminar. Se pueden crear dimensiones adicionales, en varios formatos, utilizando 2 puntos de la planificacion. En 3D las dimensiones pueden ser utilizadas para extraer medidas de control para un montaje y soldadura precisas.
Virolas
Las planificaciones pueden permitir la inclusión de virolas (bridas de montaje adicionales), que normalmente se usan en piezas de construcción más liviana, con placas delgadas, que reemplazan el proceso de soldadura por remachado o atornillado. En algunos casos, las virolas son empleadas para introducir más rigidez en las piezas de chapa delgada
Bifurcaciones o formas con múltiples derivaciones
Las bifurcaciones, trifurcaciones, etc. son formas complejas con múltiples derivaciones de una sola entrada. Su empleo es muy común en sistemas de transporte de fluidos, desde equipos de recolección y derivación de entrada de agua para grandes centrales hidroeléctricas.
MyBook es mi libro 4.0 de fórmulas prácticas
Con la función MyBook puede organizar sus propias fórmulas y cálculos, crear sus propias soluciones en lenguaje Python y poder compartir con la comunidad de desarrolladores que utilizan el portal de ingeniería calculo.info. Es como usar los clásicos libros Cassilas o Protec en la palma de tu mano.























































